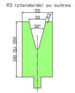
Matrices type trumpf adaptables pour presses (outils pour presse plieuse trumpf)

Nous proposons la fourniture de tous types de poinçons et matrices standards et spéciaux adaptables sur presse plieuse trumpf réalisés en acier haute qualité (40 CDM8 +S) + trempe à 200 DaN/mm2 sur une profondeur de 3 à 4 mm permettant plusieurs rénovations, une nitruration peut étre proposé dans les cas les plus défavorable.